Control Scheme Modelling in Single Stage Evaporators

Timeline


September 2023 - December 2023


Client

Controls Class Final Project

Problem Statement

In tomato paste production and many other operations, variations in feed and steam conditions can disrupt product quality and energy efficiency.

This project models the dynamic behavior of a single-effect evaporator in MATLAB and simulates control strategies in Simulink to maintain solids concentration and temperature within desired limits under changing operating conditions.

Project Overview and Scope

Objective: Maintain product solids concentration and temperature under changing conditions.

Modeling: Developed mass, solids, and energy balance equations; combined into a nonlinear MIMO state-space model; linearized around steady state for easier control design.

Implementation: Used MATLAB to build the state-space model, convert it into transfer functions, and design a control system.

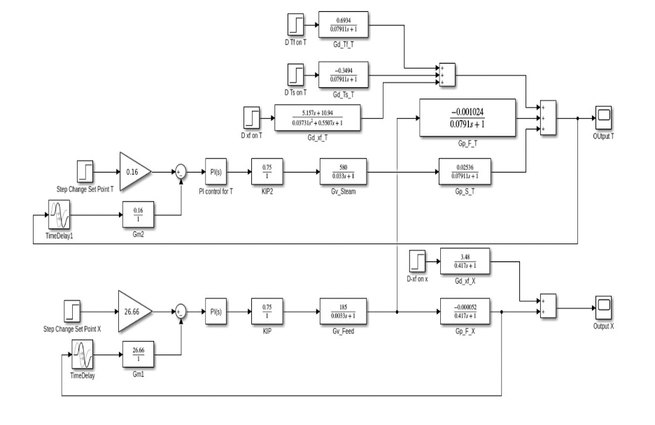
Simulation: Created the control setup in Simulink, including valve, transmitter, and transducer dynamics, to test responses to setpoint changes and disturbances.

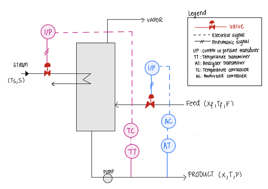
Sketch of Control Scheme

Tools and Applications Used

MATLAB- used for mathematical modeling using the data from Simulink. Additionally used for steady state and transfer function derivations using a state space model.

Simulink- used to implement a full control loop simulation, allowing visualization of dynamic responses to setpoint changes and disturbances in variables.
 

Final Simulink Control Scheme

Project Documents